



近年來我國城市內澇災害頻發,造成人員傷亡以及經濟損失嚴重,嚴重威脅著城市的安全。數據顯示,2015-2018年我國平均每年受淹或發生內澇城市的數量約占我國城市數量的1/5;人民生命財產也損失嚴重,據統計,2021年截至上半年,我國因洪澇災害所死亡失蹤人數達26人,造成經濟損失達135億元。一方面,我們需要建設和管理排水設施;另一方面,建立城市防洪排澇監測預警系統。它不僅可以為管理部門提供城市河流和道路水位的實時信息,還可以為城市防洪管理提供技術和數據支持。泵站遠程監控系統基于物聯網和邊緣計算等技術,以本地自控結合大數據遠程監控平臺,為城市洪澇災情監測、內澇預警和治理等方面提供解決方案。
1. 城市泵站的分類
從應用場景劃分,城市泵站可以分為三大類:排水泵站、污水泵站和供水泵站,排水泵站主要用以排水、排澇的泵站;污水泵站用來輸送生活廢水;而供水泵站主要用于城市生活供水。這三類泵站對于城市運轉如何讓泵站安全、低耗運行是管理者首先需要關注的問題。泵站管理平臺通過現場監測控制傳感器、邊緣計算、云平臺結合本地PLC為城市泵站的管理提供解決方案。
2. 城市排水泵站的電氣設計
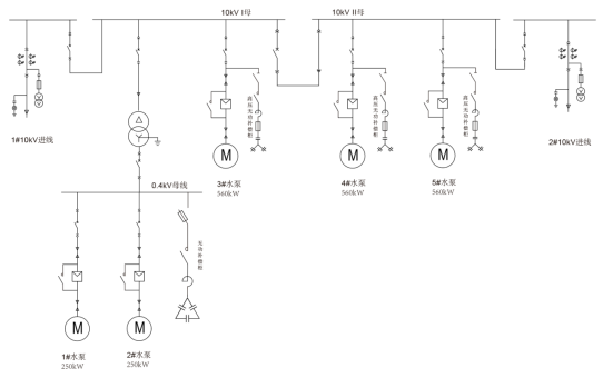
根據DJG 08-22-2018《城鎮排水泵站設計標準》,排水泵站根據功率需求和當地供電條件,一般采用35kV或10kV供電。城市排水泵站負荷等級為二級負荷,重要地區的泵站應按照一級負荷設計。二級負荷的泵站一般需要有兩路電源互為備用或一路常用一路備用;一級負荷的泵站需要有兩路獨立的電源,一路電源故障時另外一路電源可以不受影響獨立供電,特殊情況下還需要設置自備電源。以一個排水泵站為例,設置3臺10kV高壓異步電動機和2臺0.4kV異步電動機,平時2臺0.4kV異步電機運行即可滿足排澇要求,在汛期至大可以5臺電機同時運行,見圖1。
10kV母線采用單母分段接線,0.4kV母線采用單母線或單母分段接線。為了減小電機啟動對系統造成的沖擊,功率較大的電機采用軟啟動器啟動。10kV電動機無功補償采用就地補償機制,并確保補償后功率因數為0.95左右;0.4kV電動機采用集中式無功補償,補償后功率因數不低于0.9。

圖1 中小型排水泵站電氣接線示意圖
3. 泵站的電氣自動化二次設計
3.1 泵站電氣設備的自動控制、測量、保護、監視、通訊方面。其內容包括:泵站高壓送、變電系統;泵站0.4kV配電系統;泵站直流系統;電機的綜合保護系統。泵站的保護測控裝置配置如圖2所示。所有裝置均具備通訊接口,可通過智能網關接入本地監控系統或者區域泵站管理平臺,智能網關具備邊緣計算和邏輯控制功能,可根據現場運行工況進行自動控制。

圖2 泵站保護測控裝置配置圖

表1 泵站保護測控裝置選型
3.2泵站及重要輔機系統的自動控制、測量、監視、通訊方面。其內容包括:為主機配套的油系統的控制(例如:水泵葉片調節壓力油系統、快速閘門液(油)壓操作系統、油系統、齒輪箱冷卻油系統等);為主機配套的氣系統的控制(為真空破壞閥(虹吸式泵站)所配的低壓氣系統、為水泵葉片調節配套的壓力油及其它氣動工具用的中壓儲能氣系統);泵站水系統(為主機組配套的冷卻水系統、泵站排水系統和消防用水系統等)。
3.3 各種非電量的自動測量、監視、通訊方面。其內容如下:水工安全方面的位移、沉降、揚壓力、應力等各種監測;水文、水位、水情、水量、水質等各種監測;各種溫度、濕度的監測;絕緣監測;各閘門開度、荷重等監測。
這些信號均為模擬量和開關量形式輸出,采集信號為4-20mA模擬量信號和開關量信號,這些信號主要PLC裝置采集并進行相應的告警和控制,數據可上傳泵站管理平臺。
為了提高可靠性,4-20mA或者0-5V模擬量信號需要增加信號隔離裝置來實現限壓、限流、隔離等措施,增加系統的抗干擾能力。

表2 泵站信號采集及隔離裝置選型
3.4 泵站應設置正常工作照明和應急照明,并滿足各場所照度要求,應急照明持續供電時間應不少于30min。

表3 泵站照明系統要求
安科瑞為泵站提供消防應急照明和疏散指示系統和智能照明控制系統解決方案。正常工作照明可以采用感應控制、定時控制、遠程控制等控制方式,滿足泵站工作照明要求。應急照明和疏散指示系統提供不少于90min的應急照明,采用集中電源供電,確保消防安全。消防應急照明和工作照明控制均可接入泵站管理平臺實現集中監測和控制。

圖3 泵站消防應急照明和工作照明系統
3.5全站的視頻監視系統及視頻信息上傳。
4. 泵站管理系統
泵站管理平臺由本地保護測控裝置、測量采集儀表、PLC自控裝置、視頻安防、本地控制系統以及區域泵站管理平臺組成。通過泵站管理平臺可以實現對區域內泵站的數據采集、運行監測、控制調節、能耗分析、事故預告報警、事件記錄、運維管理等功能,實現泵站無人值守、集中運維管理,提高泵站的運行可靠性。

4.1 泵站管理系統(就地部署)
Acrel-2000M泵站管理系統部署在泵站內部,實現對泵站的監視、控制和運行記錄,在異常時可及時發出報警信號,保障泵站運行安全。
①泵閘全景圖
泵閘全景圖可以幫助用戶進行的監測泵閘的運行狀態,比如內外河水位、節制閘東西方向的開度、內外側閘門的開度、水泵運行的狀態以及電流。

②泵站總覽及單線圖顯示
查看泵站配電回路的分布和連接情況以及主要的電參量。主要數據包括:三相電流,三相電壓,功率、電能、功率因數、回路名稱。

③節制閘監控
監測節制閘運行狀態,比如閘門開度,是否鎖定解鎖等狀態,同時具備監測內外河水位的趨勢、油泵的運行情況。另外在該功能模塊可以實現對節制閘、油泵的遠程控制功能,并可以進行遠方/就地控制的切換。

④水泵運行監控
監測水泵運行狀態,比如運行、停止、保護裝置故障等狀態,實現對水泵遠程控制、排水引水聯動控制,在實現遠程控制功能之前將水泵、工作閘門PLC控制柜選擇遠方。排水引水聯動時,系統將下發進水閘門打開命令,直至進水閘門全開狀態。

⑤閘門監控
監測工作門、油泵運行狀態,比如運行、停止等狀態,在該功能模塊可以實現對工作門、油泵遠程控制。

⑥趨勢曲線分析
可以監測電機運行負荷曲線、內外水位曲線等等,幫助用戶分析和記錄運行趨勢。

此外,系統還具備異常報警、報表制表等功能,使管理人員及時了解電站運行情況。
4.2 區域泵站管理平臺
AcrelEMS泵站管理平臺設置在云服務器或者區域指揮中心,實現對區域內不同類型泵站的統一監控,提高管理效率。平臺具備泵站地理位置顯示、泵站3D展示、電力監控、數據查詢、控制調節、能耗分析、視頻監控、報警管理、設備管理、運維管理等功能。數據可通過4G無線專網或網絡傳輸。
①泵站地理位置標識
可在地圖標識泵站位置,點擊地圖上圖標可直接進入泵站監視界面。

②泵站工藝3D展示
通過2.5D或3D界面實時展示泵站運行狀態,包括電氣數據、管網、水位、閘門狀態等。

③電力監控
實時監測泵站配電系統運行狀況,包括電氣參數,越限/異常報警等等。

④泵站非電量監控
平臺可展示泵站變壓器、電機、線纜等關鍵接點溫度,另外可對泵站電機振動、環境溫濕度、水位、閘門狀態、視頻、門禁等各種參量,并可設置越限報警。

⑤能耗分析
分析各泵站電能消耗數據和碳排放分析,對標水泵能效指標,為管理者進行設備能效升級改造提供數據支持。

⑥報警分析
平臺可對區域內泵站的報警進行分級:普通、嚴重、事故三個級別,并對所有事故進行分析,幫助管理者更好了解泵站的運行狀況,避免錯過重要的報警信息。

⑦設備檔案及運維管理
平臺針對泵站設備建立設備檔案庫,記錄設備生產廠家、性能參數、維護保養信息,并生成設備二維碼,支持運維巡檢、缺陷記錄、工單管理、事故搶修等運維管理流程,幫助用戶管理泵站運維。

此外平臺可接入各泵站的照明控制系統、應急照明和疏散指示系統數據,通過平臺進行統一監控管理,提高泵站的運行安全和管理效率。